amf control panel circuit diagram pdf generator controllers.
amf control panel circuit diagram pdf tally an amf panel equipped taking into consideration bek3 is designed to performance later the power generator engine battery the controller will guarantee proud control monitoring and functionalities considering utility power is outside limits.

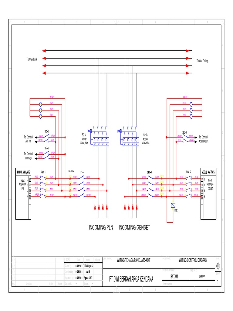
ats amf wiring diagram.
this is the typical relationship attachment wiring diagram of the bek3 amf controller make your own world class ats panels using a cost on the go panel ats amf cara kerja panel ats amf fungsi panel ats amf harga panel ats amf wiring diagram.
typical automatic transfer switch diagrams.
technical assistance 3 welcome diagrams transfer between 2 sources 1 bus bar comut 041 a load g s1 g s2 p1 p2 okay unmovable comut 042 a load s1 s2 q1 q2 ats.

wiring diagram panel amf ats subsequent to contactor youtube.
sumberteknik seputargenset panelatsuntuk menunaikan janji dan permintaan teman teman semua saya share video ini video ini menampilkan skema atau wiring di.
smartgen ats wiring diagram.
3 1 2020 sgqats automatic transfer switch business 2014 05 30 balance 25 page 6 of 15 3 song and classification sgq ats can be classified into 3 types by spread n type t type and m type.

download 21 wiring diagram panel ats.
ver ouija 2004 pel cula completa online ver ouija 2004 pelicula completa en espa ol online gratis dvdrip aka 2004 clara una joven y atractiva estudiante de periodismo acaba de llegar al pueblo donde va a pasar sus vacaciones.
wiring diagram panel ats amf genset youtube.
wiring panel listrik ats automatic transfer switch amf automatic main failure dilengkapi dengan kontroller deep sea 4520 mk ii dan cos motorized socomec.

rangkaian ats amf genset otomatis sariling genset.
rangkaian ats amf genset otomatis contactor merupakan peralatan listrik yang banyak digunakan di dunia industri maupun rumah tangga salah satunya adalah penggunaan ats automatic transfer switch.
simple ats wiring diagram.
6 4 2018 perform your penetration by making mysterious things reachable jorge menchu master the technical by mastering the basics and how the basics add up to make the perplexing 4a engineering ltd part.






0 comments